|
| |
 |
| |
無錫賽文傳動科技有限公司
電話:0510-85187479
傳真:0510-68560879
范經理:13961710084
網址:m.lqkyj.com
郵箱:sales@wxswcd.com
地址:無錫市濱湖區雙新工業園
|
| |
|
|
|
FCWZ蝸輪蝸桿減速機 |
|
| |
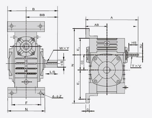
軸向表示(Shaft Directio)
|
型號SIZE
|
減速比Ratio
|
A
|
AB
|
BB
|
B
|
CC
|
N
|
M
|
F
|
E1
|
E2
|
G
|
Z
|
入力軸input thaft
|
出力軸
output thaft
|
重 量
|
|
HS
|
U
|
T×V
|
LS
|
S
|
W×Y
|
KG
|
|
40
|
1/10
1/15
1/20
1/25
1/30
1/40
1/50
1/60
|
149
|
63
|
79
|
124
|
40
|
90
|
187
|
70
|
72
|
97
|
12
|
10
|
25
|
12
|
4×2.5
|
28
|
14
|
5×3
|
5
|
|
50
|
177
|
70
|
97
|
150
|
50
|
120
|
226
|
95
|
90
|
110
|
14
|
12
|
30
|
12
|
4×2.5
|
40
|
17
|
5×3
|
8
|
|
60
|
202
|
80
|
112
|
168
|
60
|
130
|
257
|
105
|
102
|
129
|
15
|
12
|
40
|
15
|
5×3
|
50
|
22
|
6×3.5
|
11
|
|
70
|
235
|
95
|
131
|
194
|
70
|
150
|
305
|
115
|
120
|
155
|
20
|
15
|
40
|
18
|
6×3.5
|
60
|
28
|
8×4
|
15.5
|
|
80
|
265
|
105
|
142
|
214
|
80
|
170
|
350
|
135
|
140
|
180
|
20
|
15
|
50
|
22
|
6×3.5
|
65
|
32
|
10×5
|
24
|
|
100
|
325
|
135
|
169
|
254
|
100
|
190
|
410
|
155
|
165
|
215
|
22
|
15
|
50
|
25
|
8×4
|
75
|
38
|
10×5
|
38
|
|
120
|
389
|
160
|
190
|
282
|
120
|
230
|
494
|
180
|
195
|
255
|
25
|
18
|
65
|
30
|
8×4
|
85
|
45
|
14×5.5
|
56
|
|
135
|
445
|
185
|
210
|
317
|
135
|
250
|
559
|
200
|
230
|
285
|
30
|
18
|
75
|
35
|
10×5
|
95
|
55
|
16×6
|
84
|
|
155
|
522
|
220
|
252
|
380
|
155
|
275
|
605
|
220
|
250
|
306
|
35
|
21
|
85
|
40
|
12×5
|
110
|
60
|
18×7
|
129
|
|
175
|
565
|
240
|
262
|
402
|
175
|
310
|
675
|
250
|
273
|
348
|
40
|
21
|
85
|
45
|
14×5.5
|
110
|
65
|
18×7
|
157
|
|
200
|
630
|
280
|
305
|
467
|
200
|
360
|
749
|
290
|
305
|
390
|
40
|
24
|
95
|
50
|
14×5.5
|
125
|
70
|
20×7.5
|
224
|
|
|
|