|
| |
 |
| |
無錫賽文傳動科技有限公司
電話:0510-85187479
傳真:0510-68560879
范經理:13961710084
網址:m.lqkyj.com
郵箱:sales@wxswcd.com
地址:無錫市濱湖區雙新工業園
|
| |
|
|
|
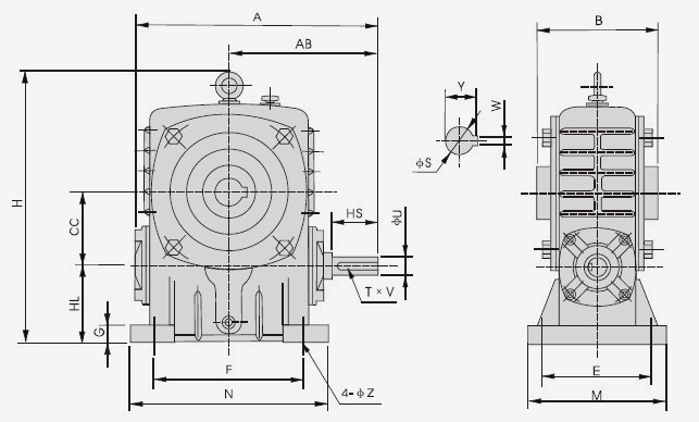
FCKA蝸輪蝸桿減速機 |
|
| |
軸指向表示(Shaft Directio)
|
型號SIZE
|
減速比Ratio
|
A
|
AB
|
B
|
|
|
CC
|
HL
|
LL
|
H
|
M
|
N
|
E
|
F
|
G
|
Z
|
入力軸
input thaft
|
出力軸
input thaft
|
重 量
|
|
HS
|
U
|
T×V
|
S
|
W×Y
|
weight(KG)
|
|
40
|
1/10
1/15
1/20
1/25
1/30
1/40
1/50
1/60
|
143
|
87
|
90
|
|
|
40
|
40
|
60
|
138
|
90
|
100
|
70
|
80
|
13
|
10
|
25
|
12
|
4×2.5
|
16
|
5×18.3
|
4.5
|
|
50
|
175
|
107
|
110
|
|
|
50
|
50
|
80
|
165
|
120
|
140
|
95
|
110
|
15
|
12
|
30
|
12
|
4×2.5
|
20
|
6×22.8
|
7.5
|
|
60
|
198
|
122
|
120
|
|
|
60
|
60
|
93
|
195
|
130
|
150
|
105
|
120
|
20
|
12
|
40
|
15
|
5×3
|
25
|
8×28.3
|
11.5
|
|
70
|
231
|
140
|
132
|
|
|
70
|
70
|
108
|
233
|
150
|
190
|
115
|
150
|
20
|
15
|
40
|
18
|
6×3.5
|
30
|
8×33.3
|
15.5
|
|
80
|
261
|
160
|
150
|
|
|
80
|
80
|
123
|
268
|
170
|
220
|
135
|
180
|
20
|
15
|
50
|
22
|
6×3.5
|
35
|
10×38.3
|
24
|
|
100
|
322
|
190
|
174
|
|
|
100
|
100
|
150
|
330
|
190
|
270
|
155
|
220
|
25
|
15
|
50
|
25
|
8×4
|
40
|
12×43.3
|
39
|
|
120
|
381
|
229
|
180
|
|
|
120
|
120
|
180
|
395
|
230
|
320
|
180
|
260
|
30
|
18
|
65
|
30
|
8×4
|
45
|
14×48.8
|
57
|
|
135
|
433
|
260
|
214
|
|
|
135
|
135
|
215
|
455
|
250
|
350
|
200
|
290
|
30
|
18
|
75
|
35
|
10×5
|
60
|
18×64.4
|
85
|
|
155
|
504
|
302
|
256
|
|
|
155
|
135
|
235
|
493
|
275
|
390
|
220
|
320
|
35
|
21
|
85
|
40
|
12×5
|
70
|
20×74.9
|
110
|
|
175
|
545
|
325
|
282
|
|
|
175
|
160
|
260
|
558
|
310
|
430
|
250
|
350
|
40
|
21
|
85
|
45
|
14×5.5
|
80
|
22×85.4
|
152
|
|
200
|
587
|
350
|
324
|
|
|
200
|
175
|
290
|
620
|
360
|
480
|
290
|
390
|
40
|
24
|
95
|
50
|
14×5.5
|
85
|
22×90.4
|
216
|
|
|
|